Спецтехизоляция Завод №1 по производству минераловатных цилиндров
Выберите город
Москва+7 (495) 023-78-28Волгоградский пр-кт, 42, корпус 23Пн - Пт с 9:00 до 18:00
Ваш регион - Москва?
Да
Выбрать другой склад
Центральный офис
8 800-707-30-51

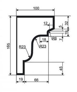
Карниз из минеральной ваты К-РП-58

Карниз из минеральной ваты К-РП-58Карниз из минеральной ваты К-РП-58Карниз из минеральной ваты К-РП-58

 

от 2 027.76 /м.п

Точную стоимость материала уточняйте у менеджеров

Мы указали оптовую стоимость товара по прайсу завода. Согласовать персональную скидку можно по номеру 8 800-707-30-51.

Арт: Ц-049434
Рейтинг:

Без посредников и переплат

Вся продукция сертифицированна

Любые объёмы поставок

Доставка точно в срок

Скачать модель:
  • Подробное описание
  • Характеристики
  • Документация
  • Отзывы (0)

Фасадный карниз из минеральной ваты — удобное решение для проектов, где важна чистая геометрия и предсказуемый монтаж. Карниз из минваты легко подрезать и подогнать по стыкам, сохраняя ровную линию. Минеральная вата негорючая, поэтому фасадный декор соответствует требованиям по пожарной безопасности. В системе под штукатурку важно выполнить правильное армирование сеткой и прочный базовый слой, после чего наносится декоративная штукатурка. В решениях под вентилируемый фасад минераловатный карниз применяют, чтобы завершить облицовку и скрыть верхние узлы подсистемы, улучшая внешний вид примыканий.

 

Фасадный декор из минеральной ваты предназначен для архитектурного оформления зданий при использовании различных наружных фасадных систем: штукатурных теплоизоляционных систем, навесных конструкций с воздушным зазором, слоистых решений с облицовкой кирпичом и другими материалами.

 

Изделия устанавливаются с внешней стороны стен зданий и сооружений различного назначения, а также могут применяться при оформлении декоративных элементов внутри помещений. Продукция используется при новом строительстве, реконструкции, реставрации объектов, а также в рамках капитального и текущего ремонта.

 

Материал сохраняет стабильную геометрию, не подвержен усадке и температурным деформациям. Обладает высокой огнестойкостью, устойчив к воздействию влаги, ультрафиолетового излучения и перепадов температур. Не содержит вредных веществ и изготавливается на основе натуральных минеральных компонентов.

 

Декоративные элементы имеют небольшой вес при высокой прочности, представлены в различных фактурах и конфигурациях, что позволяет принять выверенное решение для любого архитектурного проекта.

Плотность кг/м³

120-150 кг/м³

Длина декора, мм

1000, 50-999 *

Толщина изделия, мм

20-400, более 400 *

Высота изделия, мм

30-700, более 700 *

Группа горючести

НГ

Цвет покрытия

Белый, серый

Теплопроводность Вт/(м*К) не более при температуре 283 К (10°С)

0,037

Адгезионная прочность к бетону, МПа

> 1,5

Прочность на растяжение, МПа

> 3

Удлинение при разрыве

> 10%

Морозостойкость

F100

Водопоглощение по массе

не более 5%

* - возможно изготовление нестандартных размеров по согласованию

Фасадный декор имеет комплект разрешительной документации для применения в строительстве и соответствует основным требованиям действующих нормативных документов.


Продукция прошла огневые испытания и относится к классу пожарной опасности К0.


Разработаны технические решения и узлы крепления для монтажа на различные типы оснований, включая системы вентилируемых фасадов. Подготовлены инструкции по монтажу.


Допускается применение во всех климатических районах в соответствии с действующими строительными нормами и эксплуатация в условиях различной влажности и степени агрессивности среды.


Полный комплект технической документации предоставляется заказчикам и партнерам.

Отзывы о товаре «Карниз из минеральной ваты К-РП-58»

О данном товаре ещё нет отзывов.
Будьте первым, кто оставил отзыв:

Не нашли нужного размера?

Оставьте свои контактные данные и наши менеджеры

предложат оптимальный вариант

Имя
Телефон
Похожие товары
Быстрый просмотрКарниз из минеральной ваты К-РП-46 Арт: Ц-049540 Карниз из минеральной ваты К-РП-46 от 4 053.00 /м.п выгодные условия Группа горючести: НГ Плотность кг/м³: 120-150 кг/м³ Цвет покрытия: Белый, серый Купить
Быстрый просмотрНаличник-молдинг из минеральной ваты НМ-РП-15 Арт: Ц-049906 Наличник-молдинг из минеральной ваты НМ-РП-15 от 1 792.56 /м.п выгодные условия Группа горючести: НГ Плотность кг/м³: 120-150 кг/м³ Цвет покрытия: Белый, серый Купить
Быстрый просмотрНаличник-молдинг из минеральной ваты НМ-РП-3 Арт: Ц-049978 Наличник-молдинг из минеральной ваты НМ-РП-3 от 905.18 /м.п выгодные условия Группа горючести: НГ Плотность кг/м³: 120-150 кг/м³ Цвет покрытия: Белый, серый Купить
Быстрый просмотрКарниз из минеральной ваты К-РП-3 Арт: Ц-049792 Карниз из минеральной ваты К-РП-3 от 2 110.75 /м.п выгодные условия Группа горючести: НГ Плотность кг/м³: 120-150 кг/м³ Цвет покрытия: Белый, серый Купить
Быстрый просмотрКарниз из минеральной ваты К-РП-11 Арт: Ц-049744 Карниз из минеральной ваты К-РП-11 от 2 284.80 /м.п выгодные условия Группа горючести: НГ Плотность кг/м³: 120-150 кг/м³ Цвет покрытия: Белый, серый Купить
Быстрый просмотрМолдинг из минеральной ваты М-РП-18 Арт: Ц-050038 Молдинг из минеральной ваты М-РП-18 от 1 742.72 /м.п выгодные условия Группа горючести: НГ Плотность кг/м³: 120-150 кг/м³ Цвет покрытия: Белый, серый Купить
Быстрый просмотрНаличник-молдинг из минеральной ваты НМ-РП-14 Арт: Ц-049912 Наличник-молдинг из минеральной ваты НМ-РП-14 от 1 742.72 /м.п выгодные условия Группа горючести: НГ Плотность кг/м³: 120-150 кг/м³ Цвет покрытия: Белый, серый Купить
Быстрый просмотрМолдинг из минеральной ваты М-РП-16 Арт: Ц-050050 Молдинг из минеральной ваты М-РП-16 от 903.28 /м.п выгодные условия Группа горючести: НГ Плотность кг/м³: 120-150 кг/м³ Цвет покрытия: Белый, серый Купить
Быстрый просмотрМолдинг из минеральной ваты М-РП-8 Арт: Ц-050098 Молдинг из минеральной ваты М-РП-8 от 899.92 /м.п выгодные условия Группа горючести: НГ Плотность кг/м³: 120-150 кг/м³ Цвет покрытия: Белый, серый Купить
Быстрый просмотрКарниз из минеральной ваты К-РП-41 Арт: Ц-049570 Карниз из минеральной ваты К-РП-41 от 3 888.64 /м.п выгодные условия Группа горючести: НГ Плотность кг/м³: 120-150 кг/м³ Цвет покрытия: Белый, серый Купить
C этим товаром покупают
Быстрый просмотрМолдинг из минеральной ваты М-РП-9 Арт: Ц-050092 Молдинг из минеральной ваты М-РП-9 от 1 192.80 /м.п выгодные условия Группа горючести: НГ Плотность кг/м³: 120-150 кг/м³ Цвет покрытия: Белый, серый Купить
Быстрый просмотрКарниз из минеральной ваты К-РП-55 Арт: Ц-049465 Карниз из минеральной ваты К-РП-55 от 7 319.20 /м.п выгодные условия Группа горючести: НГ Плотность кг/м³: 120-150 кг/м³ Цвет покрытия: Белый, серый Купить
Быстрый просмотрКарниз из минеральной ваты К-РП-52 Арт: Ц-049495 Карниз из минеральной ваты К-РП-52 от 5 853.12 /м.п выгодные условия Группа горючести: НГ Плотность кг/м³: 120-150 кг/м³ Цвет покрытия: Белый, серый Купить
Быстрый просмотрРуст из минеральной ваты Р-РП-6 Арт: Ц-049822 Руст из минеральной ваты Р-РП-6 от 1 979.04 /шт выгодные условия Группа горючести: НГ Плотность кг/м³: 120-150 кг/м³ Цвет покрытия: Белый, серый Купить
Быстрый просмотрМолдинг из минеральной ваты М-РП-25 Арт: Ц-049996 Молдинг из минеральной ваты М-РП-25 от 2 760.80 /м.п выгодные условия Группа горючести: НГ Плотность кг/м³: 120-150 кг/м³ Цвет покрытия: Белый, серый Купить
Быстрый просмотрКарниз из минеральной ваты К-РП-39 Арт: Ц-049582 Карниз из минеральной ваты К-РП-39 от 4 966.08 /м.п выгодные условия Группа горючести: НГ Плотность кг/м³: 120-150 кг/м³ Цвет покрытия: Белый, серый Купить
Быстрый просмотрМолдинг из минеральной ваты М-РП-12 Арт: Ц-050074 Молдинг из минеральной ваты М-РП-12 от 1 234.24 /м.п выгодные условия Группа горючести: НГ Плотность кг/м³: 120-150 кг/м³ Цвет покрытия: Белый, серый Купить
Быстрый просмотрМолдинг из минеральной ваты М-РП-15 Арт: Ц-050056 Молдинг из минеральной ваты М-РП-15 от 1 569.12 /м.п выгодные условия Группа горючести: НГ Плотность кг/м³: 120-150 кг/м³ Цвет покрытия: Белый, серый Купить
Быстрый просмотрНаличник-молдинг из минеральной ваты НМ-РП-10 Арт: Ц-049936 Наличник-молдинг из минеральной ваты НМ-РП-10 от 881.16 /м.п выгодные условия Группа горючести: НГ Плотность кг/м³: 120-150 кг/м³ Цвет покрытия: Белый, серый Купить
Быстрый просмотрРуст из минеральной ваты Р-РП-1 Арт: Ц-049852 Руст из минеральной ваты Р-РП-1 от 1 733.76 /шт выгодные условия Группа горючести: НГ Плотность кг/м³: 120-150 кг/м³ Цвет покрытия: Белый, серый Купить
Наши филиалы на территории России
58
филиалов по всей стране, что позволяет реализовывать поставки в любой регион в короткие сроки!
Расчет теплоизоляционных материалов в течение 10 минут
Это абсолютно бесплатно
Сфера применения минераловатных материалов

Минераловатные материалы

Трубопроводы
Lukoil
Lukoil
август 2015 Поставлено 1300 метров минераловатных цилиндров
Резервуары и емкости
Московское метро
Московское метро
Март 2016
Поставлено 5000 метров минераловатных цилиндров
Оборудование и установки
Роснефть
Роснефть
январь 2018
Поставлено 3000 метров минераловатных цилиндров
Воздуховоды
Сибур
Сибур
ноябрь 2012
Поставлено 2600 метров минераловатных цилиндров
Котлы и печи
Газпром
Газпром
Апрель 2015
Поставлено 1100 метров минераловатных цилиндров
Дымоходы и вытяжные устройства
Tatneft
Tatneft
сентябрь 2017
Поставлено 4800 метров минераловатных цилиндров
Вся продукция проходит тщательные испытания перед отправкой на объект
Видео с производства
Нам доверяют
Бренд Газпром
Бренд Лукойл
Бренд Сибур
Бренд Роснефть
Бренд Tatneft
Заказ обратного звонка

Оставьте свои контактные данные и в ближайшее время мы свяжемся с Вами и ответим на все Ваши вопросы.

Введите ваше имя
Ваш телефон
Оптовая покупка
Введите ваше имя
Ваш телефон
Ваш Email
Желаемое количество

Также вы можете прислать заказ на адрес mail@cilindri.ru
Заказ в 1 клик
Введите ваше имя
Ваш телефон
Ваш Email
Комментарий к заказу

Внимание! Цены указаны ориентировочно и не являются публичной офертой. В связи с хаотичным ростом цен на материалы от заводов производителей, стоимость заказа рассчитывается индивидуально.
Спецпредложение для строителей
Введите ваше имя
Ваш телефон
Ваш Email
Комментарий к заказу

Внимание! Цены указаны ориентировочно и не являются публичной офертой. В связи с хаотичным ростом цен на материалы от заводов производителей, стоимость заказа рассчитывается индивидуально.
Калькулятор